건강한 참살이를 선도하는 우리 도자산업
생활옹기의 기능과 과학성
정순경 창원문성대학교 호텔조리제빵과 교수


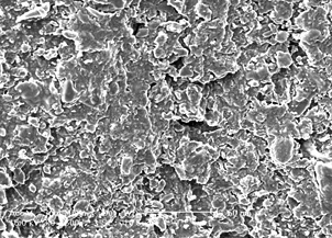
옹기표면에 유약을 입히지 않은 옹기와 유약을 입힌 옹기를 전자현미경으로 찍은 표면사진
옹기의 태동과 발전
옹기는 삼국시대 이후 토기로부터 시작되어 고려와 조선시대를 거쳐 청자, 분청사기, 백자 등의 고품격 도자기로 발전해왔지만 서민들의 애환과 함께 생활용기로 자리 잡은 것은 단연 옹기라 할 수 있겠다.
옹기는 토기의 형태이던 것이 17C에 이르러 옹기에 잿물(유약)을 입히고 1,000℃ 이상의 고온에서 구워내면서부터 생활용기로서의 역할을 하게 되었다. 옹기는 도자기와 달리 사용하는 흙의 차이에서 기공이 생기도록 만들고(그림 1. a) 표면에 유약을 발라 고온에서 구워 유약의 규사질이 옹기 표면에 생긴 큰 기공을 미세 기공으로 만들어 줌(그림 1. b)으로써 발효용기, 저장고 등의 기능성 용기로 변모하게 됐다.
옹기는 물건을 담는 단순한 생활용기(그림 1. a 옹기)의 역할에서 유약을 입힘으로써 기능성 용기(그림 1. b 옹기)로 탈바꿈을 하게 된다. 옹기는 단순히 참깨, 콩 등의 곡류나 말린 호박, 박, 산나물 등을 보관하는 저장고의 역할에서 간장, 된장, 고추장, 젓갈 등을 발효시키거나 우물물을 정화시키는 기능성 용기로서 생활 속에 자리 잡게 되었다. 옹기가 저장고, 발효용기, 정화조 등으로의 역할이 가능하게 된 것은 옹기 속에 과학이 숨어 있기 때문이다.
옹기의 과학성
옹기를 만드는 재료는 옹기토 한 가지만 사용하는 것이 아니라 옹기 내에 기공을 형성시키기 위해 분쇄토를 첨가한다. 분쇄토는 카오린 성분이 많고 내화도가 높아 옹기토에 첨가시 사질토의 역할을 증대시켜서 많은 기공을 형성시켜주는 작용을 한다. 이렇게 만들어진 기공에 의해 저장고에서의 역할은 수분 및 기체 투과성에 영향을 미치게 되고, 정화조에서는 필터 역할을 하게 된다. 발효용기에서는 보온, 산소 조절, pH 조절 등에 영향을 미친다. 또한 옹기는 원적외선 방출이 다른 발효용기에 비교해서 높게 나타난다. 원적외선은 발효식품을 발효하는 동안 식품 중심부까지 온도를 높여서 발효에 긍정적인 영향을 미치게 한다. 이러한 옹기의 과학성은 전통발효식품의 품질에 긍정적인 효과를 주고 있다. 옹기는 전통발효식품뿐만 아니라 제빵 발효에도 긍정적인 영향을 미치며 이로 인해 좋은 품질의 빵을 생산할 수 있게 되었다.
옹기의 기공성
발효식품(간장, 된장, 고추장, 젓갈, 제빵 등)은 식품 속에 함유된 일반성분(탄수화물, 단백질, 지방 등)을 미생물의 복잡한 메커니즘 작용을 거쳐 저분자 물질로 분해시켜 고유한 맛이 날 수 있도록 만든 것이다. 이 고유한 맛에 관여하는 것은 발효식품 종류에 따라 선택적 미생물이다. 미생물이 최적의 활성을 가질 수 있도록 하는 것은 일정한 온도, 수분, 산소유·무, pH를 조절할 수 있도록 내부 환경 만들어 주는 것이며 이러한 최적의 환경을 가지고 있는 그릇이 바로 옹기다.
옹기는 만드는 과정에서 옹기토 외에 분쇄토를 혼합하여 옹기 내에 미세한 기공이 생기도록 한다. 이렇게 조성된 기공은 발효에 관여하는 미생물이 원하는 온도, 수분, 산소 등을 적정 수준으로 조절하는 통로로 작용하여 미생물 활성을 최대로 높여 준다.
① 기체와 수분의 원활한 이동이 미생물의 활성에 도움을 준다.
옹기의 기공 크기를 달리했을 때(그림 2, 기공률: A. 14.6%±0.2%, B. 19.6%±0.1%, C. 21.9%±0.1%) 기체 투과성과 수분 투과성은 표1과 같다. 기체 투과성에서 나타나는 산소는 발효용기 내 식품의 생화학적 변화에 밀접하게 관여하며, 이산화탄소는 발효된 식품과 신선 과채류의 선도를 높이는데 영향을 준다. 일부 연구자들은 이러한 식품들의 품질을 보존하고 포장의 완전성을 유지하기 위하여 기체 투과도가 높은 포장재를 만들고자 시간을 할애하고 있다.
기공률을 달리했을 때 기체 투과도와 수분 투과도는 표 1과 같이 기공률이 큰 옹기에서 높게 나타났다(A
옹기의 기공이 발효식품에 긍정적인 영향을 준다고 해서 기공의 크기가 무한정 크거나, 많다고 좋은 것은 아니다. 그림 3에서 보는 것과 같이 기공의 크기가 다른3가지 옹기(A,B,C)에 간장을 담아 발효하는 동안 간장의 품질을 분석 관찰하였다. 간장을 발효하는 동안 기공률이 큰 C와B 옹기는 기공률이 낮은 A옹기와 달리 내부 소금물이 기공을 통하여 밖으로 흘러나와 옹기 표면에 소금이 하얗게 붙어있는 것을 확인할 수 있었다. 따라서 기공율이 큰 옹기는 간장을 발효시키는 옹기로 부적합하다는 것을 알 수 있다. 오래전 우리네 어머니, 그 어머니의 어머니들께서는 염분을 내뿜는 옹기는 하루에 한 번씩 옹기 표면을 깨끗이 닦아 청결함을 유지하였고, 이 옹기가 발효용기로 부적합하다는 것을 깨닫는 순간 곡류 저장용으로 생활에 활용해 왔다. 옹기에 얽힌 삶의 지혜를 물려주며 가계를 이어 온 것이다.
② 재사용 옹기가 발효에 긍정적인 효과를 준다.
발효용 옹기는 매년 반복하여 오랜 세월 재사용한다. 간장, 된장, 고추장을 담기 전에 빈 옹기는 볏짚으로 살균을 한 후 사용한다. 이는 옹기를 재사용 하는 과정에서 꼭 필요한 과정이며 이렇게 해야 하는 까닭을 그림 4에서 보여주고 있다. 재사용한 옹기의 기공이 발효에 관여하는 미생물 방으로 활용될 수도 있고, 발효에 불필요한 잡균이 서식할 수 있는 공간으로 이용되기도 한다. 따라서 옹기에 짚불을 가하는 이유는 잡균을 살균하기 위한 목적이 있다고 하겠다.
발효용 옹기는 새것을 사용하기보다는 재사용하는 것이 발효에 긍정적인 효과가 있다. 한 번도 사용하지 않은 새 옹기의 기공에는 발효에 관여하는 미생물과 효소가 없지만 한 번 이상 사용한 옹기는 크고 작은 기공에 발효에 관여하는 유용 미생물과 효소가 잔존하고 있다가 이듬해 발효숙성에 사용할 때 보다 안정적으로 유용미생물의 생육과 번성을 위한 종균으로 작용한다. 이는 발효를 촉진하는 상승효과를 줄 수 있을 것이다. 간장, 된장, 고추장 발효에 관여하는 미생물은 동일하지 않으므로 옹기를 재사용 한다면 간장, 된장, 고추장 용기로 구분하여 사용하는 것이 발효에 더욱 긍정적인 효과가 나타날 것이다.
그림 5는 간장, 된장, 고추장 발효용기로 사용한 옹기의 내부 기공을 전자현미경으로 관찰한 결과 옹기의 기공에 소금이 흡착되어 잔존하는 것을 확인할 수 있었다. 이 소금 입자는 발효식품의 발효 중 외부에서 침투할 수 있는 유해 미생물의 침입을 막아주는 역할을 할 수 있다.
③ 옹기는 온실효과가 있다.
옹기의 기공은 미생물이 외부 온도에 영향을 받지 않도록 보온하는 온실효과가있다. 겨울에 입는 다운재킷을 생각하면 쉽게 이해할 수 있다. 오리털 사이사이에 있는 공기층이 외부의 찬 공기를 차단하고 내부의 따뜻한 기온은 밖으로 나가지 못하게 하는 것과 같은 원리다. 옹기의 기공은 옹기 내부의 온도가 외기 온도에 크게 영향을 받지 않도록 함으로써, 발효식품에 관여하는 미생물들이 생육할 수 있도록 한다. 미생물이 왕성하게 생육하고, 단백질이 분해 효소에 의해 아미노산으로 잘 분해될 때 최상의 발효식품이 만들어진다. 따라서 미생물이 잘 자랄 수 있도록 옹기 내부의 온도를 일정하게 유지하는 것이 최상의 관리이다. 더운 여름날에도 옹기 내부의 온도는 그리 높지 않고, 추운 겨울에도 옹기 내부의 온도가 급격하게 떨어지지 않는다. 옹기는 이렇게 보온 효과를 가지고 있다. 반면 기공률이 0%인 스테인리스나 플라스틱, 유리 용기는 외기 온도 변화에 따라 내부 온도가 많은 변화를 보이고 있다
# 일부 내용과 이미지는 생략되었습니다.
전체 내용은 월간도예 본지를 참고 바랍니다.#